ГОСТ 25577-83
Профили стальные гнутые замкнутые сварные квадратные и прямоугольные. Технические условия
Настоящий стандарт распространяется на стальные гнутые замкнутые сварные квадратные и прямоугольные профили, предназначенные для применения в сельскохозяйственном машиностроении, тракторостроении и других отраслях народного хозяйства.
1. Сортамент
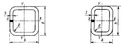
1.1. Поперечное сечение профилей должно соответствовать указанному на черт. 1 и 2.

Черт. 1 Черт. 2
h-высота профиля; b-ширина профиля; S-толщина профиля; R-радиус кривизны; W-момент сопротивления; I-момент инерции; i-радиус инерции; Sx.y-статический момент полусечения; F-площадь поперечного сечения
Таблица 1
|
b |
s |
R не более |
Площадь поперечного сечения F,см2 |
Справочные значения величин для осей |
Масса 1 м, кг |
|||
|
|
|
|
|
Х-Х |
Y-Y |
|
||
|
мм |
|
1x, Iу, см4 |
Wx, Wу, см3 |
i x, iу, см |
Sx, Sу, см3 |
|
||
|
150 |
8 |
22 |
41,86 |
1329,97 |
177,23 |
5,64 |
107,63 |
32,86 |
|
140 |
8 |
22 |
38,67 |
1055,26 |
150,75 |
5,22 |
92,08 |
30,36 |
|
140 |
7 |
18 |
34,66 |
974,21 |
139,17 |
5,30 |
83,87 |
27,81 |
|
140 |
6 |
14 |
30,31 |
873,50 |
110,57 |
5,37 |
74,35 |
23,79 |
|
140 |
5 |
12 |
25,76 |
780,54 |
108,62 |
5,43 |
64,01 |
20,22 |
|
120 |
8 |
22 |
32,27 |
624,02 |
84,33 |
4,40 |
64,58 |
25,33 |
|
110 |
6 |
14 |
23,31 |
398,80 |
72,51 |
4,15 |
43,91 |
19,22 |
|
110 |
3 |
7 |
12,40 |
233,59 |
42,47 |
4,33 |
24,70 |
9,79 |
|
100 |
6 |
14 |
20,81 |
290,14 |
58,03 |
3,73 |
35,44 |
16,33 |
|
100 |
5 |
12 |
17,76 |
255,57 |
51,11 |
3,79 |
30,76 |
13,94 |
|
100 |
4 |
10 |
14,70 |
234,09 |
48,90 |
3,87 |
26,00 |
11,50 |
|
100 |
4 |
10 |
14,54 |
215,73 |
43,15 |
3,85 |
25,59 |
11,47 |
|
80 |
6 |
14 |
16,01 |
135,47 |
33,87 |
2,91 |
21,19 |
12,57 |
|
80 |
5 |
12 |
13,76 |
121,46 |
30,36 |
2,97 |
18,69 |
10,80 |
|
80 |
4 |
10 |
11,34 |
104,21 |
26,05 |
3,03 |
15,69 |
8,90 |
Таблица 2
|
h |
b |
s |
R. не более |
Площадь поперечного сечения F, см2 |
Справочные значения величин для осей |
Масса 1 м, кг |
|||||||
|
|
|
|
|
|
Х-Х |
Y-Y |
|
||||||
|
мм |
|
Ix, см4 |
Wx, см3 |
ix, см |
Sx, см3 |
Iу, см4 |
Wу, см3 |
iу, см |
Sу, см3 |
|
|||
|
230 |
100 |
8 |
22 |
46,47 |
2804,05 |
243,83 |
7,75 |
159,76 |
770,24 |
154,05 |
4,06 |
89,73 |
36,64 |
|
220 |
100 |
5 |
12 |
29,71 |
1771,58 |
150,77 |
7,72 |
101,78 |
525,42 |
105,08 |
4,21 |
59,15 |
23,32 |
|
180 |
125 |
5 |
12 |
28,26 |
1265,94 |
140,66 |
6,69 |
85,20 |
726,58 |
116,25 |
5,07 |
66,63 |
22,18 |
|
180 |
125 |
4 |
10 |
22,94 |
601,91 |
87,84 |
5,12 |
54,69 |
1046,92 |
116,32 |
6,76 |
69,87 |
18,00 |
|
180 |
75 |
6 |
14 |
27,31 |
1005,32 |
101,55 |
6,07 |
73,13 |
256,87 |
68,50 |
3,07 |
39,72 |
21,44 |
|
180 |
75 |
5 |
12 |
23,26 |
883,02 |
98,11 |
6,16 |
63,33 |
226,38 |
60,37 |
3,12 |
34,44 |
18,26 |
|
180 |
75 |
4 |
10 |
18,94 |
737,11 |
76,78 |
6,24 |
52,27 |
190,15 |
50,71 |
3,17 |
28,50 |
14,86 |
|
160 |
130 |
7 |
18 |
36,06 |
1263,31 |
157,91 |
5,92 |
96,54 |
921,02 |
141,70 |
5,05 |
83,99 |
28,30 |
|
160 |
120 |
4 |
10 |
20,94 |
765,50 |
89,01 |
6,05 |
57,24 |
494,73 |
82,45 |
4,86 |
47,19 |
16,43 |
|
160 |
80 |
7 |
18 |
29,12 |
857,47 |
94,75 |
5,43 |
70,02 |
292,90 |
73,22 |
3,17 |
43,43 |
22,86 |
|
160 |
80 |
4 |
10 |
17,87 |
579,88 |
69,03 |
5,70 |
45,32 |
199,05 |
49,76 |
3,34 |
28,14 |
14,03 |
|
150 |
100 |
8 |
22 |
34,42 |
959,61 |
127,96 |
5,28 |
81,39 |
513,87 |
102,77 |
3,86 |
61,77 |
27,02 |
|
150 |
100 |
6 |
14 |
26,71 |
780,90 |
92,96 |
5,41 |
64,80 |
420,07 |
84,01 |
3,97 |
49,27 |
20,96 |
|
120 |
80 |
6 |
14 |
20,71 |
341,47 |
53,83 |
4,24 |
32,28 |
199,52 |
49,88 |
3,10 |
29,85 |
16,25 |
|
120 |
80 |
4 |
10 |
14,54 |
279,35 |
42,33 |
4,38 |
28,63 |
150,46 |
37,62 |
3,22 |
21,27 |
11,41 |
|
97 |
80 |
3 |
7 |
9,87 |
134,73 |
27,78 |
3,69 |
21,99 |
100,45 |
25,11 |
3,19 |
14,50 |
7,76 |
Таблица 3
|
b |
s |
R, не более |
Площадь поперечного сечения F,см2 |
Справочные значения величин для осей |
Масса 1 м, кг |
|||
|
|
|
|
|
Х-Х |
Y-Y |
|
||
|
мм |
|
Ix, Iу, см4 |
Wx, Wу, см3 |
Ix, iу, см |
Sx, Sу, см3 |
|
||
|
140 |
7 |
18 |
34,66 |
974,21 |
239,17 |
5,30 |
83,87 |
27,21 |
|
140 |
6 |
14 |
30,31 |
873,50 |
110,57 |
5,37 |
74,35 |
23,79 |
|
140 |
5 |
10 |
25,93 |
761,14 |
109,88 |
5,45 |
64,63 |
20,35 |
|
110 |
6 |
14 |
23,31 |
398,90 |
72,51 |
4,15 |
43,91 |
18,22 |
|
110 |
3 |
6 |
12,75 |
233,59 |
42,47 |
4,33 |
24,70 |
9,79 |
|
100 |
5 |
12 |
17,76 |
255,57 |
51,11 |
3,79 |
30,76 |
13,94 |
|
100 |
4 |
8 |
14,70 |
234,00 |
48,90 |
3,87 |
26,00 |
11,50 |
Таблица 4
|
h |
b |
s |
R, не более |
Площадь поперечного сечения F, см2 |
Справочные значения величин для осей |
Масса 1 м, кг |
|||||||
|
|
|
|
|
|
X-Х |
Y-Y |
|
||||||
|
мм |
|
Ix см4 |
Wx см3 |
ix см |
Sx см3 |
Iу, см4 |
Wу см3 |
iу см |
Sу,см3 |
|
|||
|
220 |
100 |
5 |
12 |
29,71 |
1771,58 |
150,77 |
7,72 |
101,78 |
525,42 |
105,08 |
4,21 |
59,15 |
23,32 |
|
180 |
125 |
5 |
12 |
28,26 |
1265,94 |
140,66 |
6,69 |
85,20 |
726,58 |
116,25 |
5,07 |
66,63 |
22,18 |
|
180 |
75 |
6 |
14 |
27,31 |
1005,32 |
101,55 |
6,07 |
73,13 |
256,87 |
68,50 |
3,07 |
39,72 |
21,44 |
|
180 |
75 |
5 |
12 |
23,26 |
883,02 |
98,11 |
6,16 |
63,33 |
226,38 |
60,37 |
3,12 |
34,44 |
18,26 |
|
180 |
75 |
4 |
8 |
18,94 |
737,11 |
76,78 |
6,24 |
52,27 |
190,15 |
50,71 |
3,17 |
28,50 |
14,86 |
|
160 |
130 |
7 |
18 |
36,06 |
1263,31 |
157,91 |
5,92 |
96,54 |
921,02 |
141,70 |
5,05 |
83,99 |
28,30 |
|
160 |
120 |
4 |
8 |
20,94 |
765,50 |
89,01 |
6,05 |
57,24 |
494,73 |
82,45 |
4,86 |
47,19 |
14,86 |
|
160 |
120 |
3 |
6 |
16,05 |
601,73 |
75,22 |
6,12 |
44,69 |
388,86 |
64,81 |
4,92 |
36,37 |
12,60 |
|
160 |
80 |
7 |
18 |
29,12 |
857,47 |
94,75 |
5,43 |
70,02 |
292,90 |
73,22 |
3,17 |
43,43 |
22,86 |
|
150 |
100 |
6 |
14 |
26,71 |
780,90 |
92,96 |
5,41 |
64,80 |
420,07 |
84,01 |
3,97 |
49,27 |
20,96 |
|
120 |
80 |
6 |
14 |
20,71 |
371,47 |
53,83 |
4,24 |
39,28 |
199,52 |
49,88 |
3,10 |
29,85 |
16,25 |
|
120 |
80 |
4 |
8 |
14,54 |
279,35 |
42,33 |
4,38 |
28,63 |
150,46 |
37,62 |
3,22 |
21,77 |
11,41 |
|
97 |
80 |
3 |
6 |
9,87 |
134,73 |
27,78 |
3,69 |
21,99 |
100,45 |
25,11 |
3,19 |
14,50 |
7,76 |
Примечание табл. 1-4. Приведенные в таблицах площадь поперечного сечения и справочные значения вычислены по номинальным размерам. При вычислении массы 1 м профиля плотность стали принята 7,85 г/см3.
1.2. Размеры профилей, площадь поперечного сечения, справочные величины для осей и масса 1 м профиля должны соответствовать:
- для профилей из углеродистой спокойной и низколегированной стали - табл. 1 и 2;
- для профилей из углеродистой кипящей и полуспокойной стали - табл. 3 и 4.
1.3. Предельные отклонения по толщине профилей должны соответствовать предельным отклонениям по толщине заготовки шириной 1000-2000 мм нормальной точности прокатки Б, приведенным в ГОСТ 19903-74. Предельные отклонения по толщине не распространяются на места изгиба.
По согласованию изготовителя с потребителем допускается изготовление профилей из заготовки повышенной точности прокатки А.
1.4. Предельные отклонения по высоте и ширине профиля не должны превышать:
- при высоте (ширине) профиля до 100 мм . . . . ±1,5 мм,
- при высоте (ширине) профиля более 100 мм . . . ±2 мм.
Предельные отклонения по высоте (ширине) профиля с толщиной стенки 7-8 мм не должны превышать ±2 мм.
1.5. Профили изготовляют длиной от 9 до 11,8 м:
- мерной длины;
- немерной длины.
Примечание. Допускается по согласованию изготовителя с потребителем изготовление профилей немерной длины с немерными длинами от 3 до 9 м.
1.6. Предельные отклонения по длине профилей мерной длины, кратной мерной длины должны быть не более +60 мм.
1.5, 1.6.(Измененная редакция, Изм. № 1).
1.7. Предельные отклонения от угла 90° не должны превышать ± 1°30'. Предельные отклонения от угла 90° для профилей с толщиной стенки 7-8 мм должны быть не более ±2°.
Пример условного обозначения гнутого сварного профиля высотой 180 мм, шириной 75 мм, толщиной стенки 5 мм:
![]()
(Измененная редакция, Изм. № 1).
2. Технические требования
2.1. Замкнутые сварные профили изготовляют в соответствии с требованиями настоящего стандарта по технологическому регламенту, утвержденному в установленном порядке.(Измененная редакция, Изм. № 1).
2.1a. Замкнутые сварные профили изготовляют из горячекатаного проката с обеспечиваемой свариваемостью из углеродистой стали марок Ст3сп, Ст3пс, Ст3кп по ГОСТ 14637-79 и ГОСТ 16523-70, марок 20 и 20пс по ГОСТ 1050-88 и низколегированных сталей марок 09Г2 по ГОСТ 19281-89 и 18ЮТ по ТУ 14-1-4303-87.
(Измененная редакция, Изм. № 2).
2.2. Технические требования профилей - по ГОСТ 11474-76 с дополнениями.
2.2.1 Кривизна профилей в горизонтальной и вертикальной плоскостях не должна превышать 0,1% измеряемой длины.
2.2.2. Скручивание профилей вокруг продольной оси не должно превышать произведения 30' на длину профиля в метрах и должно быть не более 5°.
2.2.3. Выпуклость и вогнутость стенок профилей не должна превышать 1 мм. Для профиля размером 160´12´03 мм выпуклость или вогнутость стенки не должна превышать 2 мм.
2.2.4. Неперпендикулярность плоскости реза к продольной оси профиля не должна превышать 1°30'. Допускается огневая обрезка торцов отдельных профилей.
2.2.5. Смещение свариваемых кромок относительно друг друга не должно превышать:
- 0,5 мм - при толщине стенки профиля до 4 мм;
- 1 мм-при толщине стенки профиля свыше 4 мм.
Высота остаточного грата, выступающая над поверхностью профиля, не должна превышать 1,0 мм. Грат снимается с наружной стороны.
(Измененная редакция, Изм. № 1).
2.2.6. Непровар отдельного места сварного соединения не должен превышать 20 мм, общая длина непровара на 1 м длины при толщине профиля до 6 мм - 50 мм, при толщине 7-8 мм - 70 мм.
2.2.7. Прочность сварного соединения не должна быть ниже прочности основного металла.
2.2.8. Требования пп. 2.2.5-2.2.7 обеспечиваются при доверительной вероятности 0,95.
3. Правила приемки
3.1. Правила приемки - по ГОСТ 11474-76.
4. Методы испытаний
4.1. Методы испытаний - по ГОСТ 11474-76 с дополнениями.
4.1.2. Испытание сварного соединения на растяжение - по ГОСТ 6996-66.
4.1.3. Размеры поперечного сечения профилей определяют на расстоянии 100 мм от торца.
4.1.4. Предельные отклонения высоты профиля и измерения выпуклости и вогнутости контролируются по несварной стенке профиля.
(Измененная редакция, Изм. № 1).
4.1.5. Кривизну профилей, вогнутость и выпуклость определяют металлической линейкой (ГОСТ 427-75).
4.1.6. Скручивание и неперпендикулярность плоскости реза профилей определяют угломером (ГОСТ 5378-88).
4.1.7. Смещение кромок и высоту остаточного грата определяют штангенциркулем (ГОСТ 166-80).
4.1.8. Сплошность сварного соединения определяют визуально, без применения увеличительных приборов.
5. Упаковка, маркировка и транспортирование
5.1. Упаковка, маркировка и транспортирование - по ГОСТ 11474-76.
